ПТН 42-10
Характеристики изделия:
| Параметр | Значение |
|---|---|
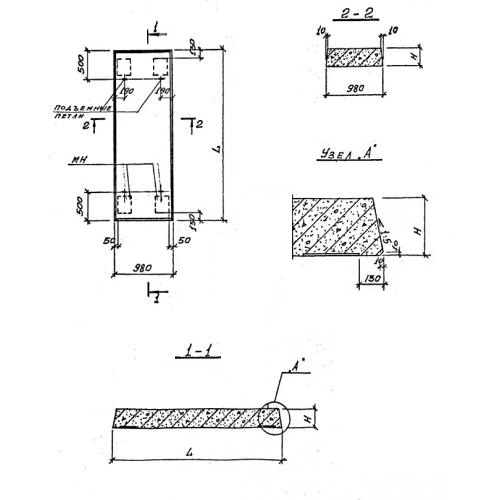
| длина | 4500 мм |
| ширина | 980 мм |
| высота | 400 мм |
| масса | 4275 кг |
| нормативный документ | Серия 0.55.18.236 |
Цена:
Рассчитать стоимостьПТН 42-10 Плиты перекрытия тоннелей Серия 0.55.18.236.
| Параметр | Значение |
|---|---|
| длина | 4500 мм |
| ширина | 980 мм |
| высота | 400 мм |
| масса | 4275 кг |
| нормативный документ | Серия 0.55.18.236 |
ПТН 42-10 Плиты перекрытия тоннелей Серия 0.55.18.236.
