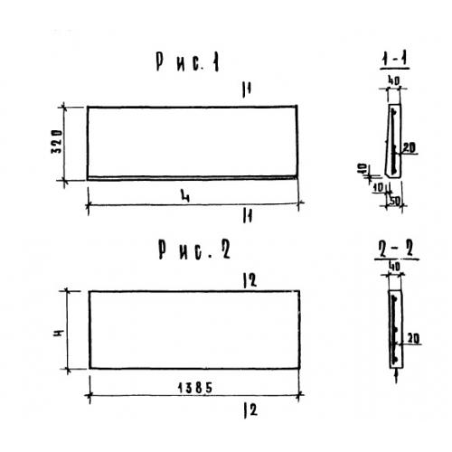
2ЛН 14.5

Чертеж изделия:
Характеристики изделия:
ПараметрЗначение
длина1385 мм
ширина475 мм
высота40 мм
масса66 кг
нормативный документСерия 1.020-1

2 ЛН 14.5 Лестничные проступи для площадок и верхних ступеней Серия 1.020-1.