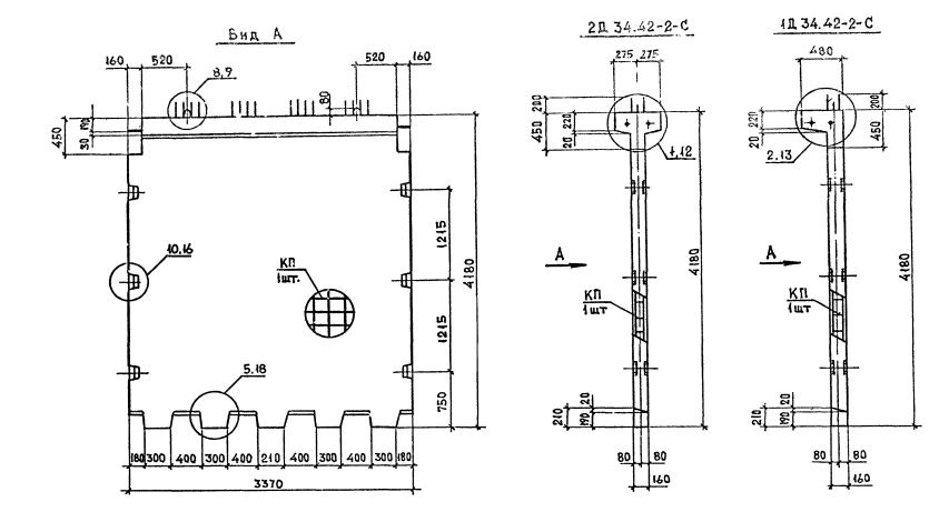
Д 34

Чертеж изделия:
Характеристики изделия:
ПараметрЗначение
длина3370 мм
ширина550 мм
высота4180 мм
масса6500 кг
нормативный документСерия 1.020.1-2с/89

Д 34  Диафрагмы жесткости Серия 1.020.1-2с/89.