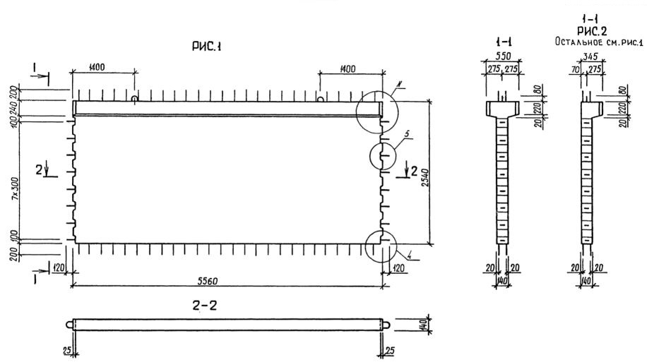
1Д 56.25
Характеристики изделия:
| Параметр | Значение |
|---|---|
| длина | 5800 мм |
| ширина | 345 мм |
| высота | 2940 мм |
| масса | 5690 кг |
| нормативный документ | Серия 1.020.1-3пв |
Цена:
Рассчитать стоимость1Д 56.25 Диафрагмы жесткости с одной полкой Серия 1.020.1-3пв.
| Параметр | Значение |
|---|---|
| длина | 5800 мм |
| ширина | 345 мм |
| высота | 2940 мм |
| масса | 5690 кг |
| нормативный документ | Серия 1.020.1-3пв |
1Д 56.25 Диафрагмы жесткости с одной полкой Серия 1.020.1-3пв.