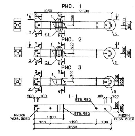
1КНД 4.28

Чертеж изделия:
Характеристики изделия:
ПараметрЗначение
длина3550 мм
ширина400 мм
высота700 мм
масса1700 кг
нормативный документСерия 1.020.1-3пв

1КНД 4.28  Колонны нижние двухконсольные Серия 1.020.1-3пв.