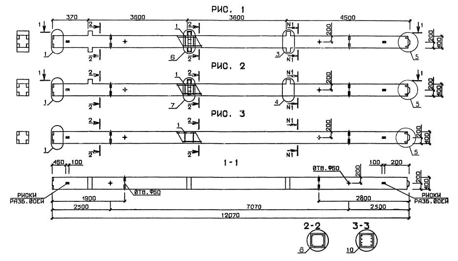
3КБО 4.36(48)
Характеристики изделия:
| Параметр | Значение |
|---|---|
| длина | 12070 мм |
| ширина | 400 мм |
| высота | 550 мм |
| масса | 53330 кг |
| нормативный документ | Серия 1.020.1-3пв |
Цена:
Рассчитать стоимость3КБО 4.36(48) Колонны бесстыковые одноконсольные Серия 1.020.1-3пв.
| Параметр | Значение |
|---|---|
| длина | 12070 мм |
| ширина | 400 мм |
| высота | 550 мм |
| масса | 53330 кг |
| нормативный документ | Серия 1.020.1-3пв |
3КБО 4.36(48) Колонны бесстыковые одноконсольные Серия 1.020.1-3пв.