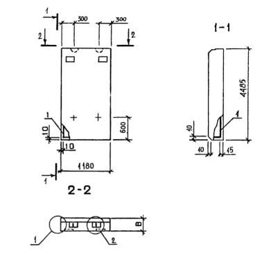
ПСЦ 12.45.35

Чертеж изделия:
Характеристики изделия:
ПараметрЗначение
длина1180 мм
ширина4485 мм
высота350 мм
масса2460 кг
нормативный документСерия 1.020.1-3пв

ПСЦ 12.45.35  Панели стеновые цокольные Серия 1.020.1-3пв.