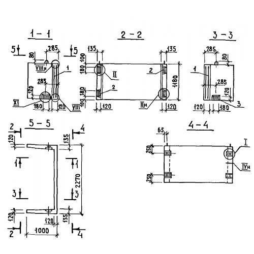
БШЛ 63-12 блок шахты лифта доборный

Чертеж изделия:
Характеристики изделия:
ПараметрЗначение
длина2270 мм
ширина1000 мм
высота1180 мм
масса1470 кг
нормативный документСерия 1.089.1-1

БШЛ 63-12 Блоки шахт лифтов Серия 1.089.1-1.