НЦ 45.20.30

Чертеж изделия:
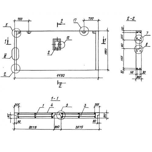
Характеристики изделия:
ПараметрЗначение
длина4490 мм
ширина300 мм
высота1980 мм
вес4410 кг
серия1.100.1-7

НЦ 45.20.30 Наружная цокольная стеновая панель по серии 1.100.1-7.