2ПСН 31.20.40-п-1

Чертеж изделия:
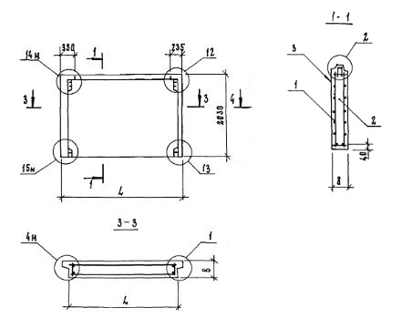
Характеристики изделия:
ПараметрЗначение
длина3085 мм
ширина400 мм
высота2030 мм
масса3500 кг
нормативный документСерия 1.117.1-20

Панели наружных цокольных стен. Панели толщиной 400 и 450 мм (Серия 1.117.1-20).

2ПСН 31.20.40-п-1  Панели стеновые наружные.

п-пористый бетон.