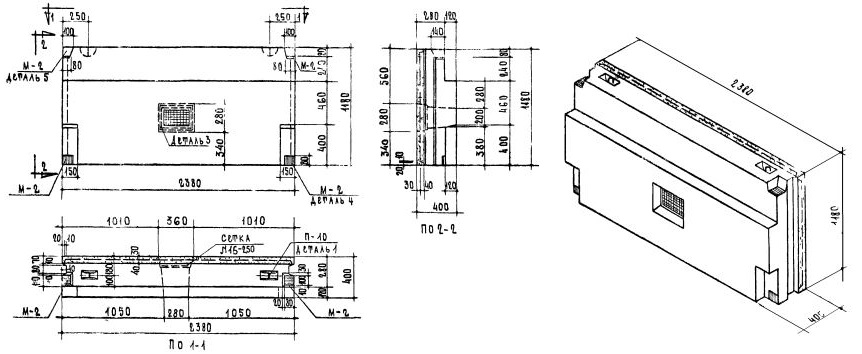
НБП-24.12.4

Чертеж изделия:
Характеристики изделия:
ПараметрЗначение
Длина2380 мм
Ширина400 мм
Высота1180 мм
Масса1909 кг
Нормативный документСерия 1.133-1

Стеновые легкобетонные блоки толщиной 40 см по Серии 1.133-1.

НБП-24.12.4  Парапетный блок.