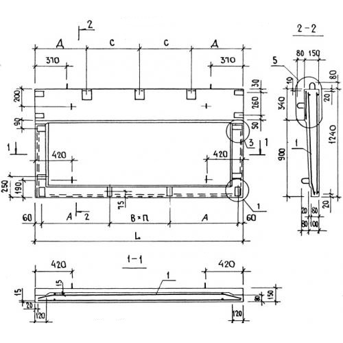
ПБ 27-5

Чертеж изделия:
Характеристики изделия:
ПараметрЗначение
длина2690 мм
ширина1240 мм
высота150 мм
масса973 кг
нормативный документСерия 1.137-3

ПБ 27-5  Плиты балконные Серия 1.137-3.