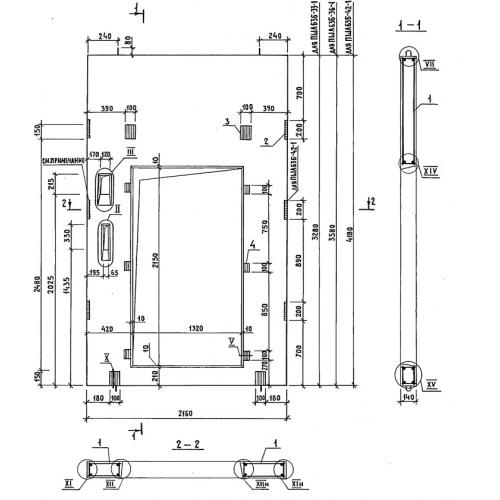
ПШЛ 63-42

Чертеж изделия:
Характеристики изделия:
ПараметрЗначение
длина2160 мм
ширина140 мм
высота4180 мм
вес2100 кг
серия1.289.1-2

ПШЛ 63-42 Панели шахт лифтов по серии 1.289.1-2.