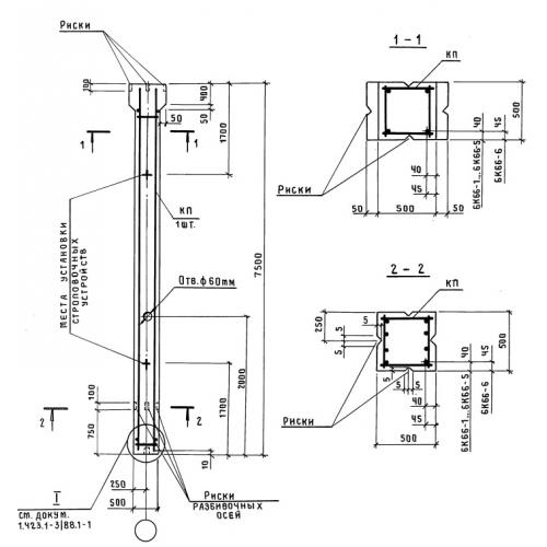
К 66 колонны

Чертеж изделия:
Характеристики изделия:
ПараметрЗначение
длина7500 мм
ширина500 мм
высота500 мм
масса4800 кг
нормативный документСерия 1.423-3

К 66  Колонны Серия 1.423-3.