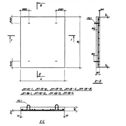
ЛП 18-3 лестничные площадки

Чертеж изделия:
Характеристики изделия:
ПараметрЗначение
длина1590 мм
ширина1740 мм
высота80 мм
масса550 кг
нормативный документСерия 1.450-1

 ЛП 18-3  Площадки для междуэтажных лестничных маршей Серия 1.450-1.