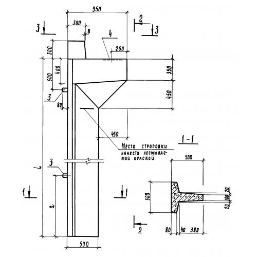
СВТ 30.5

Чертеж изделия:
Характеристики изделия:
ПараметрЗначение
длина3000 мм
ширина950 мм
высота500 мм
вес1230 кг
серия1.820.9-1

СВТ 30.5 Сваи таврового сечения по серии 1.820.9-1.