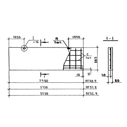
ПГ 60.9

Чертеж изделия:
Характеристики изделия:
ПараметрЗначение
длина5980 мм
ширина80 мм
высота885 мм
вес1060 кг
серия1.831.9-3

ПГ 60.6 Панели перегородок по серии 1.831.9-3.