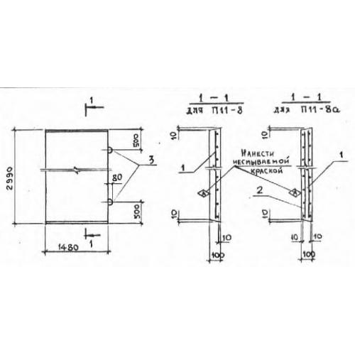
П 11
Характеристики изделия:
| Параметр | Значение |
|---|---|
| длина | 2990 мм |
| ширина | 1480 мм |
| высота | 100 мм |
| вес | 1100 кг |
| серия | 3.006-2 |
Цена:
Рассчитать стоимостьП 11 Плиты перекрытия лотков по серии 3.006-2.
| Параметр | Значение |
|---|---|
| длина | 2990 мм |
| ширина | 1480 мм |
| высота | 100 мм |
| вес | 1100 кг |
| серия | 3.006-2 |
П 11 Плиты перекрытия лотков по серии 3.006-2.
