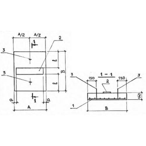
ОП 6

Чертеж изделия:
Характеристики изделия:
ПараметрЗначение
длина650 мм
ширина750 мм
высота140 мм
масса180 кг
нормативный документСерия 3.006.1-2/82

ОП 6  Опорные подушки Серия 3.006.1-2/82.