П 10

Чертеж изделия:
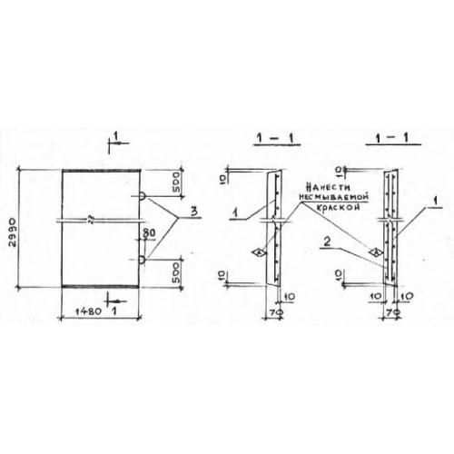
Характеристики изделия:
ПараметрЗначение
длина2990 мм
ширина1480 мм
высота70 мм
масса770 кг
нормативный документСерия 3.006.1-2/82

П 10  Плиты перекрытия лотков Серия 3.006.1-2/82.