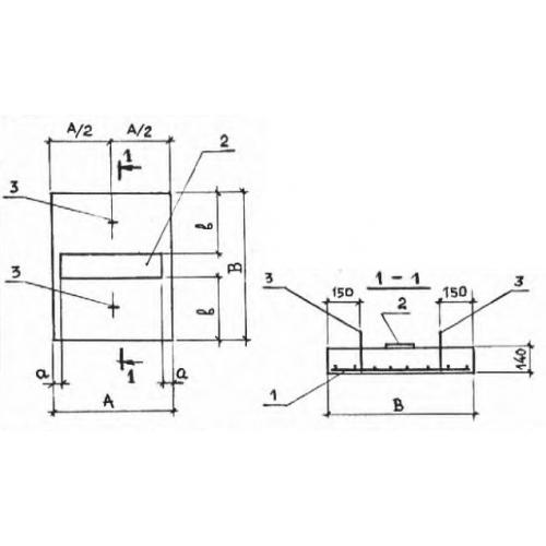
ОП 4 опорные подушки

Чертеж изделия:
Характеристики изделия:
ПараметрЗначение
длина500 мм
ширина500 мм
высота140 мм
масса90 кг
нормативный документСерия 3.006.1-2/87

ОП 4  Опорные подушки Серия 3.006.1-2/87.