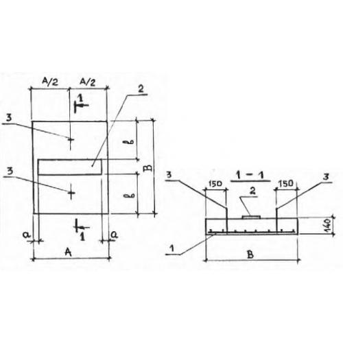
ОП 5 опорные подушки
Характеристики изделия:
| Параметр | Значение |
|---|---|
| длина | 550 мм |
| ширина | 650 мм |
| высота | 140 мм |
| масса | 130 кг |
| нормативный документ | Серия 3.006.1-2/87 |
Цена:
Рассчитать стоимостьОП 5 Опорные подушки Серия 3.006.1-2/87.
| Параметр | Значение |
|---|---|
| длина | 550 мм |
| ширина | 650 мм |
| высота | 140 мм |
| масса | 130 кг |
| нормативный документ | Серия 3.006.1-2/87 |
ОП 5 Опорные подушки Серия 3.006.1-2/87.
