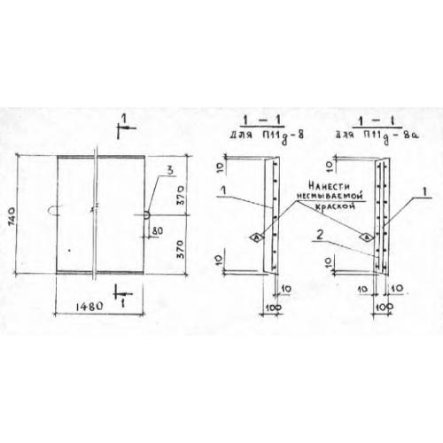
П 11 д плиты лотков
Характеристики изделия:
| Параметр | Значение |
|---|---|
| длина | 740 мм |
| ширина | 1480 мм |
| высота | 100 мм |
| масса | 270 кг |
| нормативный документ | Серия 3.006.1-2/87 |
Цена:
Рассчитать стоимостьП 11д Плиты перекрытия лотков доборные Серия 3.006.1-2/87.
| Параметр | Значение |
|---|---|
| длина | 740 мм |
| ширина | 1480 мм |
| высота | 100 мм |
| масса | 270 кг |
| нормативный документ | Серия 3.006.1-2/87 |
П 11д Плиты перекрытия лотков доборные Серия 3.006.1-2/87.
