П 11 плиты лотков

Чертеж изделия:
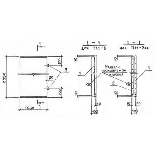
Характеристики изделия:
ПараметрЗначение
длина2990 мм
ширина1480 мм
высота100 мм
масса1100 кг
нормативный документСерия 3.006.1-2/87

П 11 Плиты перекрытия лотков Серия 3.006.1-2/87.