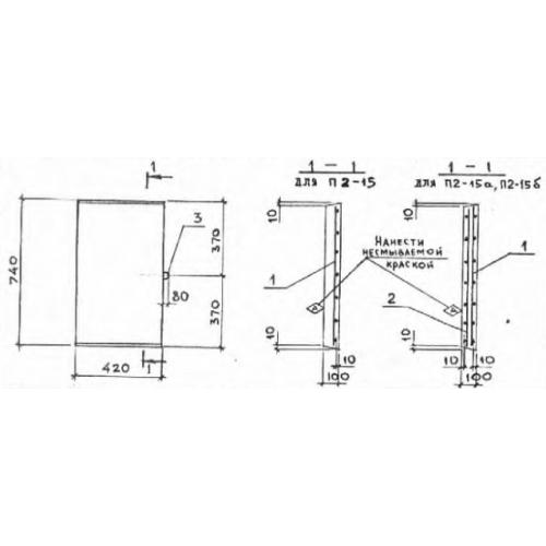
П 2 плиты лотков
Характеристики изделия:
| Параметр | Значение |
|---|---|
| длина | 740 мм |
| ширина | 420 мм |
| высота | 100 мм |
| масса | 80 кг |
| нормативный документ | Серия 3.006.1-2/87 |
Цена:
Рассчитать стоимостьП 2 Плиты перекрытия лотков Серия 3.006.1-2/87.
| Параметр | Значение |
|---|---|
| длина | 740 мм |
| ширина | 420 мм |
| высота | 100 мм |
| масса | 80 кг |
| нормативный документ | Серия 3.006.1-2/87 |
П 2 Плиты перекрытия лотков Серия 3.006.1-2/87.
