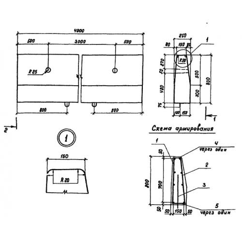
ББ 2

Чертеж изделия:
Характеристики изделия:
ПараметрЗначение
длина4000 мм
ширина250 мм
высота800 мм
вес1750 кг
серия3.503.1-75

ББ 2 Бордюрные блоки по серии 3.503.1-75.