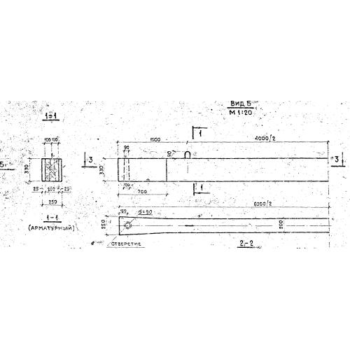
Б 1 подтротуарная балка

Чертеж изделия:
Характеристики изделия:
ПараметрЗначение
длина6000 мм
ширина250 мм
высота330 мм
масса1000 кг
нормативный документСерия 3.820-13

Б 1  Подтротуарные балки по Серии 3.820-13.