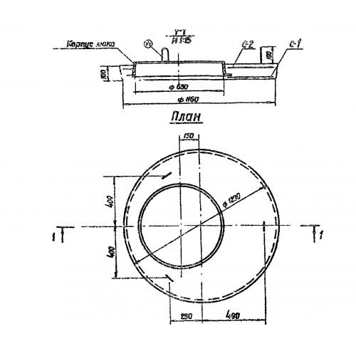
КЦП 10

Чертеж изделия:
Характеристики изделия:
ПараметрЗначение
длина1200 мм
ширина1200 мм
высота100 мм
вес200 кг
серия3.820-9

КЦП 10 Плиты перекрытия колодцев по серии 3.820-9.