ТПР 80.25

Чертеж изделия:
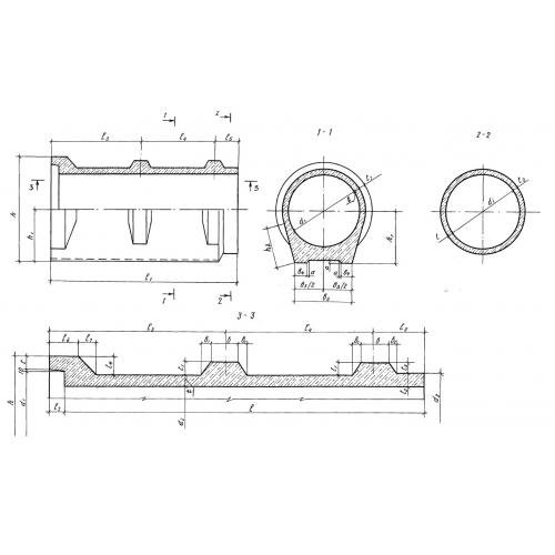
Характеристики изделия:
ПараметрЗначение
длина2610 мм
ширина960 мм
высота1171 мм
масса2200 кг
нормативный документСерия 3.820.1-81.94

ТПР 80.25  Труба бетонная безнапорная ребристая раструбная с подошвой, имеющая стыковое соединение втулочного конца. Уплотнение стыковой поверхности таких элементов производится герметиками. Серия 3.820.1-81.94.