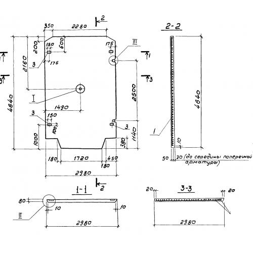
ПГР панель перегородочная

Чертеж изделия:
Характеристики изделия:
ПараметрЗначение
длина2980 мм
ширина80 мм
высота4640 мм
масса2650 кг
нормативный документСерия 3.900.-3

ПГР Панели перегородчатые по Серии 3.900.-3.