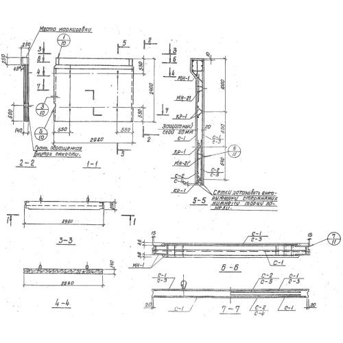
ПС 300-240-25 Панель стеновая балочная
Характеристики изделия:
| Параметр | Значение |
|---|---|
| длина | 2980 мм |
| ширина | 2400 мм |
| высота | 250 мм |
| масса | 275 кг |
| нормативный документ | Серия 3.900.-3 |
Цена:
Рассчитать стоимостьПС 300-240-25 Панели стеновые балочные для прямоугольных сооружений по Серии 3.900.-3.
