РМ 72-26

Чертеж изделия:
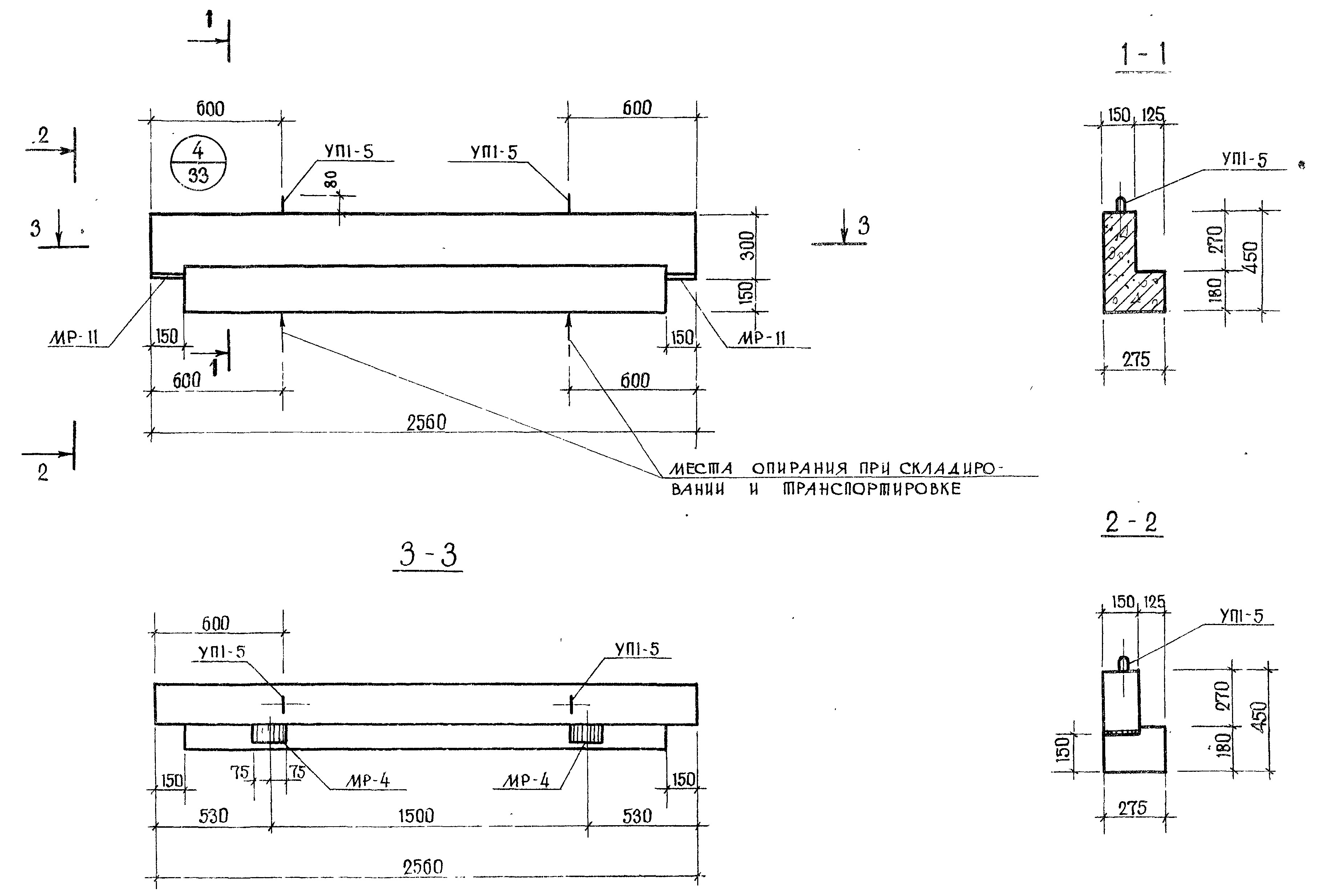
Характеристики изделия:
ПараметрЗначение
Длина L2560 мм
Ширина В275 мм
Высота Н450 мм
Вес537 кг
СерияИИ 04-3
Норма погрузки на машину (20тн)37 шт
Вагонная норма погрузки-

Ригели РМ 72-26 изготавливается в соответствии с нормами рабочих чертежей альбома ИИ 04-3, в двух вариантах: с одной полкой «Р» и с двумя полками «Р 2». Применяются ригели при возведении каркасных зданий.